| SPECIFICATIONS | |
|---|---|
| Flow to: | 3000 m³/hr (13,200 US gpm) |
| Sizes: | 50 mm to 400 mm (2″ to 16″) |
| Rotor material: | Bronze or stainless steel |
| Rotor shaft: | Stainless steel |
| Shaft seal material: | Viton rubber (GEF), Nitrile or Viton (GPD) |
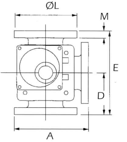
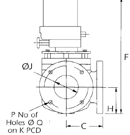
| DIMENSION/ CONNECTION |
2G | 3G | 4G | 6G | 8G | 10G | 12G | 14G | 16G | |
|---|---|---|---|---|---|---|---|---|---|---|
| A | 197.5 (7.776) | 240 (9.449) | 260 (10.236) | 260 (10.236) | 395 (15.551) | 469 (18.465) | 574 (22.598) | 624 (24.567) | 706 (27.795) | |
| C | 115 (4.528) | 140 (5.512) | 150 (5.906) | 185 (7.284) | 225 (8.858) | 260 (10.236) | 300 (11.811) | 340 (13.386) | 385 (15.158) | |
| D | 115 (4.528) | 140 (5.512) | 150 (5.906) | 185 (7.284) | 225 (8.858) | 260 (10.236) | 300 (11.811) | 340 (13.386) | 385 (15.158) | |
| E | 230 (9.055) | 280 (11.024) | 300 (11.811) | 370 (14.567) | 450 (17.717) | 520 (20.472) | 600 (23.622) | 680 (26.772) | 770 (30.315) | |
| F | 386 (15.2) | 421 (16.57) | 477 (18.78) | 567 (22.32) | 676 (26.61) | 783 (30.82) | 902 (35.51) | 1017 (40.04) | 1093 (43.03) | |
| H | 82.5 (3.248) | 100 (3.937) | 126 (4.961) | 142 (5.590) | 170 (6.692) | 252 (9.921) | 297 (11.693) | 339 (13.347) | 378 (14.882) | |
| ØJ | 50 (1.969) | 80 (3.150) | 100 (3.937) | 150 (5.906) | 200 (7.874) | 250 (9.843) | 300 (11.811) | 350 (13.780) | 400 (15.748) | |
| K | PN 6 | 110 (4.3) | 150 (5.9) | 170 (6.7) | 225 (8.8) | 280 (11) | 335 (13) | 395 (15.5) | 445 (17.5) | 495 (19.4) |
| PN 10 | 125 (4.912) | 160 (6.299) | 180 (7.087) | 240 (9.449) | 295 (11.614) | 350 (13.714) | 400 (15.748) | 460 (18.110) | 515 (20.276) | |
| PN 16 | 125 (4.921) | 160 (6.299) | 180 (7.087) | 240 (9.449) | 295 (11.614) | 355 (13.967) | 410 (16.142) | 470 (18.504) | 525 (20.670) | |
| ASA 125 lb | 120.6 (4.748) | 152.4 (6.000) | 190.5 (7.500) | 241.3 (9.500) | 298.5 (11.750) | 361.95 (14.250) | 431.8 (17.00) | 467.3 (18.750) | 539.75 (21.250) | |
| JIS 5k | 165 (6.5) | 230 (9) | 280 (11) | 390 (15.3) | ||||||
| JIS 10k | 175 (6.9) | 240 (9.4) | 290 (11.4) | |||||||
| ØL | 165 (6.496) | 200 (7.878) | 220 (8.661) | 285 (11.220) | 340 (13.386) | 405 (15.945) | 460 (18.110) | 520 (20.472) | 580 (22.835) | |
| M | 20 (0.787) | 22 (0.866) | 24 (0.945) | 27 (1.062) | 28 (1.102) | 28 (1.102) | 28 (1.102) | 30 (1.181) | 32 (1.260) | |
| P | PN 6 | 4 | 4 | 8 | 8 | 12 | 12 | 12 | 16 | |
| PN 10 | 4 | 8 | 8 | 8 | 8 | 12 | 12 | 16 | 16 | |
| PN 16 | 4 | 8 | 8 | 8 | 12 | 12 | 12 | 16 | 16 | |
| ASA 125 lb | 4 | 4 | 8 | 8 | 8 | 12 | 12 | 12 | 16 | |
| JIS 5k | 8 | 8 | 8 | 12 | ||||||
| JIS 10k | 8 | 8 | 8 | |||||||
| Q | PN 6 | 14 (0.5) | 19 (0.7) | 19 (0.7) | 19 (0.7) | 19 (0.7) | 18 (0.7) | 22 (0.9) | 22 (0.9) | 22 (0.9) |
| PN 10 | 18 (0.709) | 18 (0.709) | 18 (0.709) | 23 (0.905) | 23 (0.905) | 22 (0.866) | 22 (0.866) | 22 (0.866) | 26 (1.024) | |
| PN 16 | 18 (0.709) | 18 (0.709) | 18 (0.709) | 23 (0.905) | 23 (0.905) | 26 (1.024) | 26 (1.024) | 26 (1.024) | 30 (1.181) | |
| ASA 125 lb | 19 (0.748) | 19 (0.748) | 19 (0.748) | 23 (0.905) | 23 (0.905) | 25.4 (1.000) | 25.4 (1.000) | 28.6 (1.125) | 28.6 (1.125) | |
| JIS 5k | 19 (0.7) | 19 (0.7) | 23 (0.9) | 23 (0.9) | ||||||
| JIS 10k | 19 (0.7) | 23 (0.9) | 23 (0.9) | |||||||
| T | 391 (15.39) | 426 (16.77) | 482 (18.98) | 607 (23.90) | 676 (26.61) | 783 (30.83) | 917 (36.10) | 1032 (40.63) | 1138 (44.80) | |