| PART NAME | MATERIAL |
|---|---|
| Body | Grey cast iron GGG200 |
| Bonnet | Cast Bronze G.CuSn5ZnP |
| Seat | Bronze CuSn5ZnP |
| Disc | Cast Bronze G.CuSn5ZnP |
| Stem | Stainless Steel X4CrNiMo165 (Remote operated) Bronze CuSn5ZnP (Manually operated) |
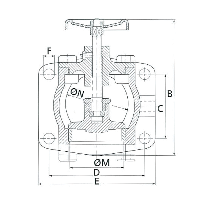
| BOX Ø50 | BOX Ø80 | BOX Ø100 | BOX Ø125 | BOX Ø150 |
|---|---|---|---|---|
| B = Ca. 220 | B = Ca. 230 | B = Ca. 263 | B = Ca. 313 | B = Ca. 373 |
| C = 80 | C = 100 | C = 120 | C = 150 | C = 180 |
| D = 120 | D = 150 | D = 170 | D = 220 | D = 250 |
| E = 150 | E = 180 | E = 200 | E = 260 | E = 290 |
| F = 17 | F = 17 | F = 17 | F = 22 | F = 22 |
| G =M12 | G =M16 | G =M16 | G =M20 | G =M20 |
| ØH = 94 | ØH = 130 | ØH = 154 | ØH = 184 | ØH = 221 |
| □1 = 90 | □1 = 120 | □1 = 140 | □1 = 170 | □1 = 200 |
| K = M12 | K = M16 | K = M16 | K = M20 | K = M20 |
| ØM = 61 | ØM = 86 | ØM = 106 | ØM = 132 | ØM = 155 |
| ØN = 80 | ØN = 100 | ØN = 120 | ØN = 150 | ØN = 180 |
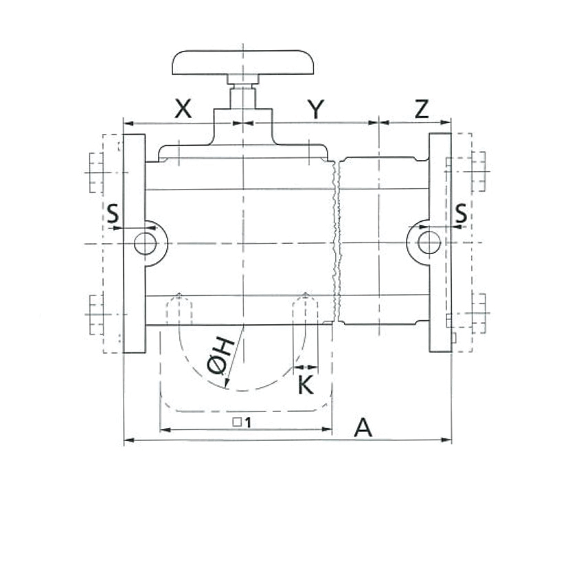
| P50 | P60 | P70 | P90 | P110 |
| X70 | X85 | X98 | X117 | X132 |
| Y120 | Y130 | Y150 | Y180 | Y225 |
| Z70 | Z85 | Z98 | Z117 | Z133 |
| S15 | S15 | S18 | S22 | S22 |
| NO OF BOXES | 1 | 2 | 3 | 4 | |||||||
|---|---|---|---|---|---|---|---|---|---|---|---|
| No. of cell = T | 2 | 3 | 4 | 5 | 6 | 7 | 8 | 9 | 10 | 11 | 12 |
| Type (Construction) | 0002 | 0003 | 0022 | 0023 | 0033 | 0223 | 0233 | 0333 | 2233 | 2333 | 3333 |
| Length A Ø50 box | 260 | 380 | 521 | 641 | 761 | 902 | 1022 | 1142 | 1283 | 1404 | 1523 |
| Length A Ø80 box | 300 | 430 | 601 | 731 | 861 | 1032 | 1162 | 1292 | 1463 | 1593 | 1723 |
| Length A Ø100 box | 346 | 496 | 693 | 843 | 993 | 1190 | 1340 | 1490 | 1687 | 1837 | 1987 |
| Length A Ø125 box | 414 | 594 | 828 | 1008 | 1188 | 1422 | 1602 | 1782 | 2016 | 2196 | 2736 |
| Length A Ø150 box | 490 | 715 | 980 | 1205 | 1430 | 1695 | 1920 | 2145 | 2410 | 2635 | 2860 |