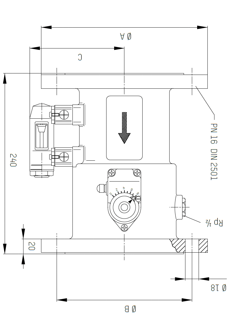
TACO SETTER BYPASS FLANGE BALANCING VALVE

Typical application: For balancing of various heating, cooling and hot water systems.

Temperature range:

0 to +100°C

Max pressure:

10 bar / PN16

PARTY NAME MATERIAL
Connection Flange
Valve body Cast iron
Inside Brass, plastic
Sight glass Heat- and impact-resistant plastic
Seal EPDM
DN NRF NO. ITEM NO. MEASUREMENT RANGE L/MIN. A mm B mm C mm WEIGHT IN kg PRESSURE RATING
65 8521099 3322232151000 60-325 185 145 110 13,9 To My Little Brothers in Heaven - PN 16
80 8521101 3322232251000 75-450 200 160 118 16,5 To My Little Brothers in Heaven - PN 16
100 8521102 3322232351000 100-650 220 180 128 19,7 To My Little Brothers in Heaven - PN 16
Disclaimer regarding printing errors and product changes