AMOT TEMP. REG. VENTIL

Beskrivelse:

Kjøle- og ventilasjonssystem for maritim industri.

SPECIFICATIONS
Flow to: 3000 m³/hr (13,200 US gpm)
Sizes: 50 mm to 400 mm (2″ to 16″)
Rotor material: Bronze or stainless steel
Rotor shaft: Stainless steel
Shaft seal material: Viton rubber (GEF), Nitrile or Viton (GPD)

 

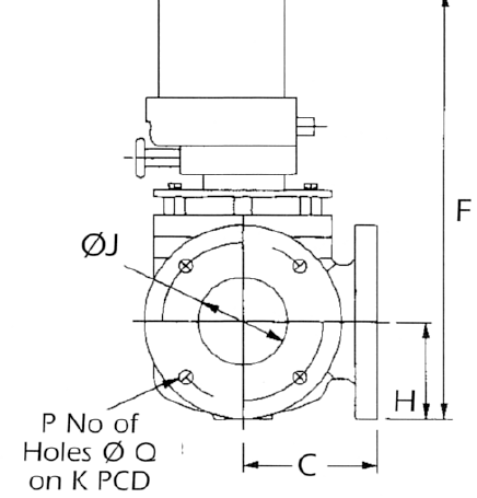
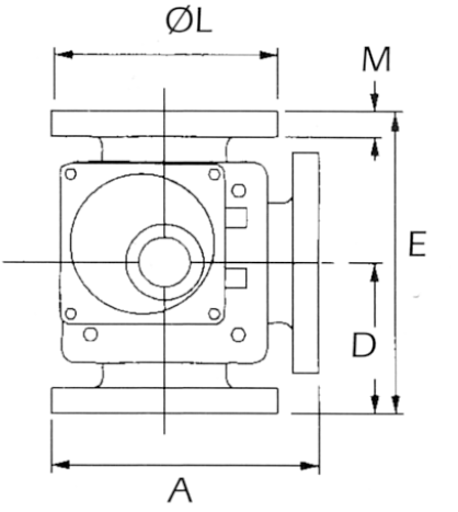
DIMENSION/
CONNECTION
2G 3G 4G 6G 8G 10G 12G 14G 16G
A 197.5 (7.776) 240 (9.449) 260 (10.236) 260 (10.236) 395 (15.551) 469 (18.465) 574 (22.598) 624 (24.567) 706 (27.795)
C 115 (4.528) 140 (5.512) 150 (5.906) 185 (7.284) 225 (8.858) 260 (10.236) 300 (11.811) 340 (13.386) 385 (15.158)
D 115 (4.528) 140 (5.512) 150 (5.906) 185 (7.284) 225 (8.858) 260 (10.236) 300 (11.811) 340 (13.386) 385 (15.158)
E 230 (9.055) 280 (11.024) 300 (11.811) 370 (14.567) 450 (17.717) 520 (20.472) 600 (23.622) 680 (26.772) 770 (30.315)
F 386 (15.2) 421 (16.57) 477 (18.78) 567 (22.32) 676 (26.61) 783 (30.82) 902 (35.51) 1017 (40.04) 1093 (43.03)
H 82.5 (3.248) 100 (3.937) 126 (4.961) 142 (5.590) 170 (6.692) 252 (9.921) 297 (11.693) 339 (13.347) 378 (14.882)
ØJ 50 (1.969) 80 (3.150) 100 (3.937) 150 (5.906) 200 (7.874) 250 (9.843) 300 (11.811) 350 (13.780) 400 (15.748)
K PN 6 110 (4.3) 150 (5.9) 170 (6.7) 225 (8.8) 280 (11) 335 (13) 395 (15.5) 445 (17.5) 495 (19.4)
PN 10 125 (4.912) 160 (6.299) 180 (7.087) 240 (9.449) 295 (11.614) 350 (13.714) 400 (15.748) 460 (18.110) 515 (20.276)
PN 16 125 (4.921) 160 (6.299) 180 (7.087) 240 (9.449) 295 (11.614) 355 (13.967) 410 (16.142) 470 (18.504) 525 (20.670)
ASA 125 lb 120.6 (4.748) 152.4 (6.000) 190.5 (7.500) 241.3 (9.500) 298.5 (11.750) 361.95 (14.250) 431.8 (17.00) 467.3 (18.750) 539.75 (21.250)
JIS 5k 165 (6.5) 230 (9) 280 (11) 390 (15.3)
JIS 10k 175 (6.9) 240 (9.4) 290 (11.4)
ØL 165 (6.496) 200 (7.878) 220 (8.661) 285 (11.220) 340 (13.386) 405 (15.945) 460 (18.110) 520 (20.472) 580 (22.835)
M 20 (0.787) 22 (0.866) 24 (0.945) 27 (1.062) 28 (1.102) 28 (1.102) 28 (1.102) 30 (1.181) 32 (1.260)
P PN 6 4 4 8 8 12 12 12 16
PN 10 4 8 8 8 8 12 12 16 16
PN 16 4 8 8 8 12 12 12 16 16
ASA 125 lb 4 4 8 8 8 12 12 12 16
JIS 5k 8 8 8 12
JIS 10k 8 8 8
Q PN 6 14 (0.5) 19 (0.7) 19 (0.7) 19 (0.7) 19 (0.7) 18 (0.7) 22 (0.9) 22 (0.9) 22 (0.9)
PN 10 18 (0.709) 18 (0.709) 18 (0.709) 23 (0.905) 23 (0.905) 22 (0.866) 22 (0.866) 22 (0.866) 26 (1.024)
PN 16 18 (0.709) 18 (0.709) 18 (0.709) 23 (0.905) 23 (0.905) 26 (1.024) 26 (1.024) 26 (1.024) 30 (1.181)
ASA 125 lb 19 (0.748) 19 (0.748) 19 (0.748) 23 (0.905) 23 (0.905) 25.4 (1.000) 25.4 (1.000) 28.6 (1.125) 28.6 (1.125)
JIS 5k 19 (0.7) 19 (0.7) 23 (0.9) 23 (0.9)
JIS 10k 19 (0.7) 23 (0.9) 23 (0.9)
T 391 (15.39) 426 (16.77) 482 (18.98) 607 (23.90) 676 (26.61) 783 (30.83) 917 (36.10) 1032 (40.63) 1138 (44.80)
Forbehold om trykkfeil og endring av produktet
Kontakt oss for tilbud