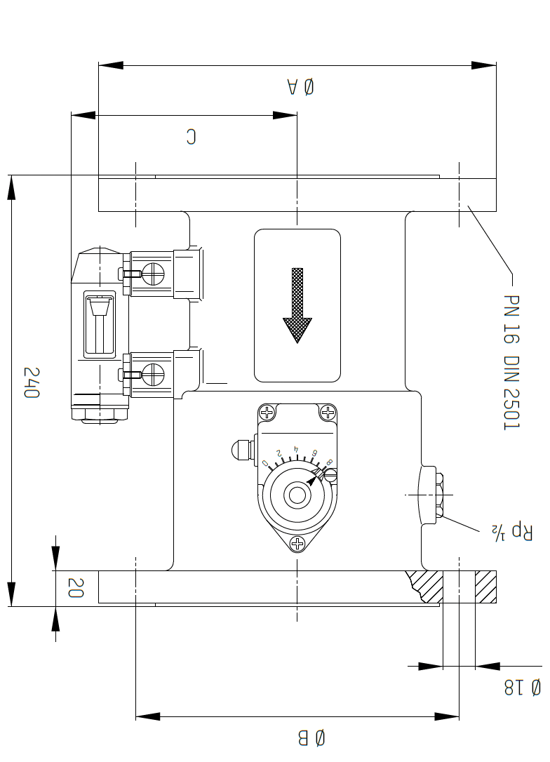
TACO SETTER BYPASS FLENSET INNREGULERINGSVENTIL

Typisk bruksområde: For balanseing av ulike varme-, kjøle- og
varmtvanns- systemer.

Temperaturområde:

0 til +100°C

Max driftstrykk:

10 bar / PN16

DETALJ MATERIALE
Tilkuping Flens
Ventilhus Støpejern
Innsidе Messing, plast
Seglass Varme- og støtsikker plast
Pakning EPDM
DN NRF NR. ART. NR. MEASSURING RANGE L/MIN. A mm B mm C mm VEKT kg TRYKK KLASSE
65 8521099 3322232151000 60-325 185 145 110 13,9 PN 16
80 8521101 3322232251000 75-450 200 160 118 16,5 PN 16
100 8521102 3322232351000 100-650 220 180 128 19,7 PN 16
Forbehold om trykkfeil og endring av produktet
Kontakt oss for tilbud