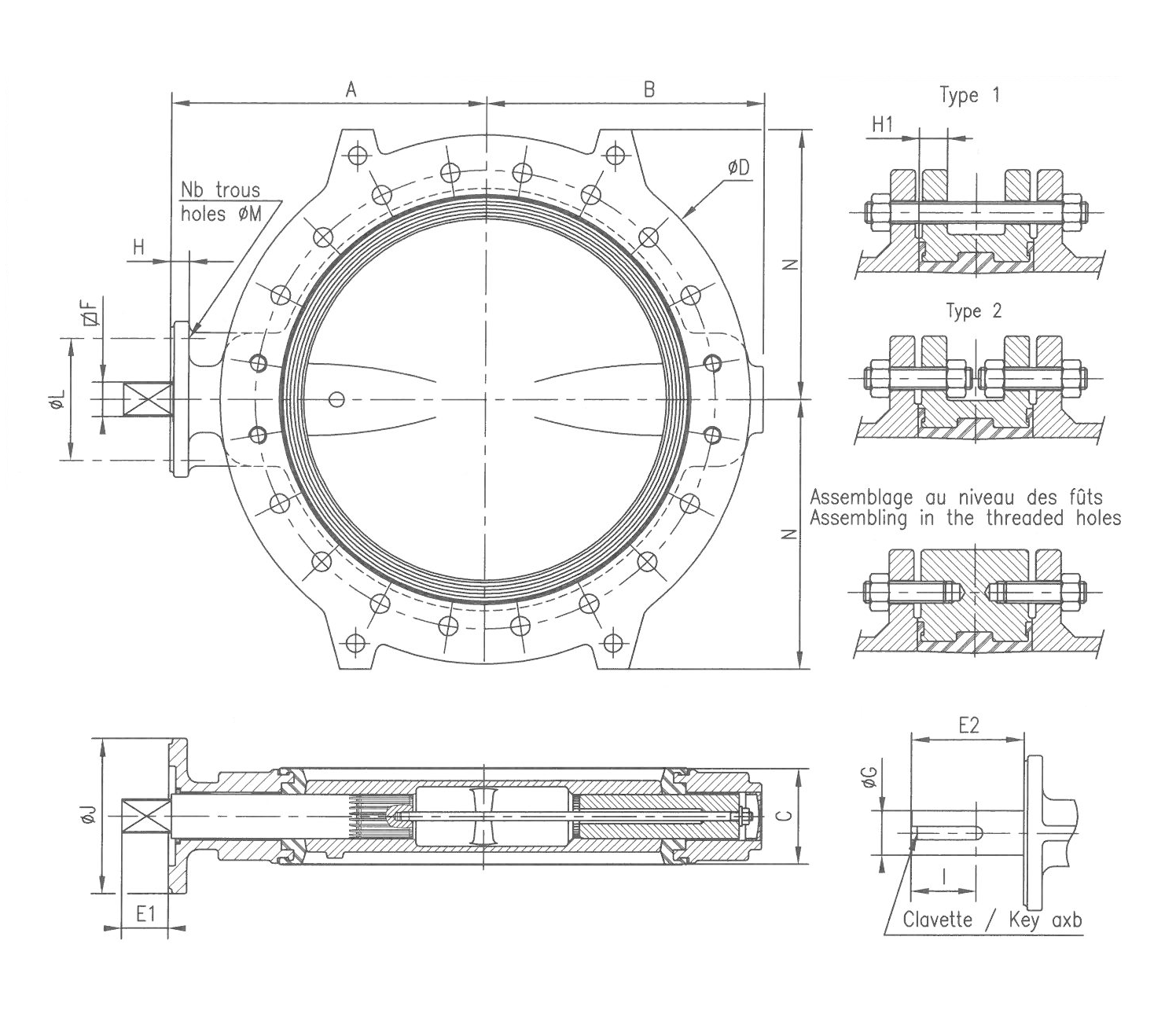
| PART | MATERIALE |
|---|---|
| Hus | Seigjern GGG 40.3 / EN-GJS-400-18 |
| Spjeld | Alu/Brz C958 / SS316 / DI+Coating |
| Spindel | AISI 316 |
| Pakning | EPDM |
| Foringer | PTFE |
| DN | A mm | B mm | C mm | ØD mm | E 1/2 mm | ØF / ØG mm | ØJ mm | ØL mm | P mm | A x B x L mm | MAX W.P. | VEKT kg |
|---|---|---|---|---|---|---|---|---|---|---|---|---|
| 500 | 425 | 375 | 127 | 730 | 63 / 100 | 46 / 60 | 210 | 165 | 375 | 18 x 11 x 80 | PN 25 | 167 |
| 600 | 495 | 430 | 154 | 845 | 63 / 100 | 46 / 60 | 210 | 165 | 432 | 18 x 11 x 80 | PN 25 | 203 |
| 700 | 570 | 510 | 165 | 940 | 81 / 100 | 55 / 80 | 300 | 254 | 480 | 22 x 14 x 100 | PN 25 | 292 |
| 750 | 610 | 540 | 165 | 984 | 81 / 100 | 55 / 80 | 300 | 254 | 505 | 22 x 14 x 100 | PN 25 | 400 |
| 800 | 640 | 560 | 190 | 1060 | 81 / 100 | 55 / 80 | 300 | 254 | 542 | 22 x 14 x 100 | PN 25 | 403 |
| 900 | 700 | 665 | 203 | 1160 | 110 | 100 | 300 | 254 | 597 | 28 x 16 x 100 | PN 25 | 493 |
| 1000 | 750 | 715 | 216 | 1290 | 110 | 100 | 350 | 298 | 660 | 28 x 16 x 100 | PN 25 | 583 |
| 1100 | 820 | 805 | 254 | 1400 | 140 | 100 | 350 | 298 | 710 | 28 x 16 x 120 | PN 16 | 1199 |
| 1200 | 870 | 830 | 254 | 1490 | 140 | 100 | 350 | 298 | 760 | 28 x 16 x 120 | PN 16 | 1276 |
| 1300 | 960 | 935 | 254 | 1625 | 140 | 120 | 415 | 356 | 835 | 32 x 18 x 130 | PN 16 | 1672 |
| 1400 | 1015 | 1000 | 254 | 1690 | 140 | 120 | 415 | 356 | 865 | 32 x 18 x 130 | PN 16 | 1749 |
| 1500 | 1130 | 1090 | 254 | 1855 | 180 | 130 | 475 | 406 | 950 | 32 x 18 x 160 | PN 16 | 2134 |
| 1600 | 1170 | 1135 | 254 | 1930 | 180 | 130 | 475 | 406 | 980 | 32 x 18 x 160 | PN 16 | 2211 |
| 2400 | 1672 | 1590 | 356 | 2755 | 200 | 150 | 560 | 483 | 1425 | 45 x 25 x 170 | PN 6 | 5940 |
EN 10204 – 3.1 Sertifikat tilgjengelig. * Montert mellom flenser